![]() |
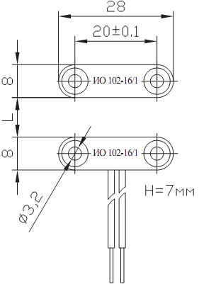
ИО 102-16/1
Извещатель охранный точечный магнитоконтактный ИО 102-16/1 предназначен для блокировки дверных и оконных проёмов, организации устройств типа «ловушка», а также блокировки других конструктивных элементов зданий и сооружений с выдачей сигнала «Тревога» путем размыкания контактов геркона на приемноконтрольный прибор, концентратор или пульт централизованного наблюдения
Извещатель конструктивно состоит из датчика магнитоуправляемого на основе геркона и задающего элемента (магнита), выполненных в пластмассовых корпусах.
Извещатель рассчитан на непрерывную круглосуточную работу.
Артикул:
Поставщик:
АО "Российская электроника"Описание
Технические характеристики
диапазон коммутируемого напряжения, В 0,01-75
диапазон коммутируемого тока, мА 5-250
число срабатываний извещателя в режиме 0,25А-30В, не менее 5 · 105
выходное электрическое сопротивление:
• при замкнутых контактах (при токе (100±10)мА), Ом, не более
• при разомкнутых контактах, кОм, не менее
0,5
200
при параллельном расположении датчика и задающего элемента контакты извещателя должны быть:
• замкнуты - при расстоянии между ними, мм
• разомкнуты - при расстоянии между ними, мм
8 и менее
45 и более
допустимое смещение по вертикальной и горизонтальной осям симметрии между датчиком и задающим элементом, мм, не более 3
сопротивление изоляции между выводами датчика:
• в нормальных климатических условиях, Ом, не менее
• при повышенной относительной влажности 98%, Ом, не менее
5 · 106
2 · 105
электрическая прочность изоляции между выводами датчика и корпусом, Вэфф/Впост, не менее 500 / 700
рабочая температура среды, °С -30 … +50
относительная влажность воздуха ( при +35 °С ), %, не более 80
виброустойчивость (10–35)Гц, м/с2 (g), не более 4,9 (0,5)
срок службы, лет, не менее 8
масса датчика/задающего элемента, г, не более 2,5/2,3
Пример условного обозначения:
Извещатель ИО 102-16/1 «Ц» ЯВАФ.425128.006 ТУ
Извещатель ИО 102-16/1 «Т» ЯВАФ.425128.006 ТУ
Примечание:
Вывода датчика выходят из центра корпуса в исполнении «Ц» и из торца – в исполнении «Т».
Монтаж:
Крепление осуществляется к деревянной поверхности шурупами Ø3мм длиной 20мм. На металлические поверхности крепление производится на прокладках из дерева, текстолита и т.п. толщиной от 25 до 30мм. На стеклянной поверхности крепление производится клеевым
составом (лак КО-85 и клей БМК-5 в соотношении 10:1).
Вывода датчика соединяются с линией скруткой и пропайкой с последующей изоляцией.
диапазон коммутируемого напряжения, В 0,01-75
диапазон коммутируемого тока, мА 5-250
число срабатываний извещателя в режиме 0,25А-30В, не менее 5 · 105
выходное электрическое сопротивление:
• при замкнутых контактах (при токе (100±10)мА), Ом, не более
• при разомкнутых контактах, кОм, не менее
0,5
200
при параллельном расположении датчика и задающего элемента контакты извещателя должны быть:
• замкнуты - при расстоянии между ними, мм
• разомкнуты - при расстоянии между ними, мм
8 и менее
45 и более
допустимое смещение по вертикальной и горизонтальной осям симметрии между датчиком и задающим элементом, мм, не более 3
сопротивление изоляции между выводами датчика:
• в нормальных климатических условиях, Ом, не менее
• при повышенной относительной влажности 98%, Ом, не менее
5 · 106
2 · 105
электрическая прочность изоляции между выводами датчика и корпусом, Вэфф/Впост, не менее 500 / 700
рабочая температура среды, °С -30 … +50
относительная влажность воздуха ( при +35 °С ), %, не более 80
виброустойчивость (10–35)Гц, м/с2 (g), не более 4,9 (0,5)
срок службы, лет, не менее 8
масса датчика/задающего элемента, г, не более 2,5/2,3
Пример условного обозначения:
Извещатель ИО 102-16/1 «Ц» ЯВАФ.425128.006 ТУ
Извещатель ИО 102-16/1 «Т» ЯВАФ.425128.006 ТУ
Примечание:
Вывода датчика выходят из центра корпуса в исполнении «Ц» и из торца – в исполнении «Т».
Монтаж:
Крепление осуществляется к деревянной поверхности шурупами Ø3мм длиной 20мм. На металлические поверхности крепление производится на прокладках из дерева, текстолита и т.п. толщиной от 25 до 30мм. На стеклянной поверхности крепление производится клеевым
составом (лак КО-85 и клей БМК-5 в соотношении 10:1).
Вывода датчика соединяются с линией скруткой и пропайкой с последующей изоляцией.
.jpg)
