![]() |
Диоды СВЧ умножительные
Диоды полупроводниковые СВЧ умножительные предназначены для работы в дециметровом, сан-тиметровом и миллиметровом диапазонах длин волн в умножителях частоты.
Артикул:
Поставщик:
АО "Российская электроника"Описание
Конструктивно диоды выпускаются в металлокерамических корпусах и в бескорпусном исполнении.
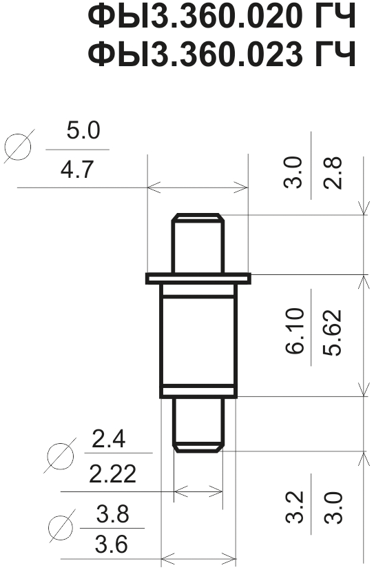
Диоды 2А609А-5/НТ – 2А609Г-5/НТ, выпускаемые в бескорпусном исполнении, предназначены для работы в составе гибридных микросхем, обеспечивающих их герметизацию и защиту от воздействия влаги, соляного тумана, плесневых грибков, инея и росы, повышенного и пониженного давления.
Технические требования
Максимальная температура диодов при эксплуатации не более 85 °С, для диодов 2А605, 2А608, КА608, 2А609, 2А613, КА613 не более 125 °С.
Допускаются изменения температуры среды от минус 60 до плюс 85 °С, для диодов 2А605, 2А608, КА608, 2А609, 2А613, КА613 от минус 60 до плюс 125 °С.
Особенности применения 2А605А/НТ, 2А605Б/НТ, 2А609А/НТ – 2А609Г/НТ
Основной вид электрического присоединения диодов 2А605А/НТ, 2А605Б/НТ, 2А609А/НТ – 2А609Г/НТ — прижимной контакт и цанговое крепление. Допускается пайка при температуре не более 230 °С в течение 3 с и не более трех перепаек.
Основной метод крепления диодов 2А609А-5/НТ – 2А609Г-5/НТ в схему — термокомпрессия со стороны контакта меньшей площади (анода) и пайка со стороны контакта минусового основания диодов (катода). Предельно допустимое число контактирований — одно. При термокомпрессии рекомендуется применять золотую проволоку. Повторная пайка и термокомпрессия не допускаются.
Производится на АО "НИИПП"
Диоды 2А609А-5/НТ – 2А609Г-5/НТ, выпускаемые в бескорпусном исполнении, предназначены для работы в составе гибридных микросхем, обеспечивающих их герметизацию и защиту от воздействия влаги, соляного тумана, плесневых грибков, инея и росы, повышенного и пониженного давления.
Технические требования
Максимальная температура диодов при эксплуатации не более 85 °С, для диодов 2А605, 2А608, КА608, 2А609, 2А613, КА613 не более 125 °С.
Допускаются изменения температуры среды от минус 60 до плюс 85 °С, для диодов 2А605, 2А608, КА608, 2А609, 2А613, КА613 от минус 60 до плюс 125 °С.
Особенности применения 2А605А/НТ, 2А605Б/НТ, 2А609А/НТ – 2А609Г/НТ
Основной вид электрического присоединения диодов 2А605А/НТ, 2А605Б/НТ, 2А609А/НТ – 2А609Г/НТ — прижимной контакт и цанговое крепление. Допускается пайка при температуре не более 230 °С в течение 3 с и не более трех перепаек.
Основной метод крепления диодов 2А609А-5/НТ – 2А609Г-5/НТ в схему — термокомпрессия со стороны контакта меньшей площади (анода) и пайка со стороны контакта минусового основания диодов (катода). Предельно допустимое число контактирований — одно. При термокомпрессии рекомендуется применять золотую проволоку. Повторная пайка и термокомпрессия не допускаются.
Производится на АО "НИИПП"
Спецификация
1. Технические_характеристики.docx
